星达真空设备-专业生产LG螺杆真空泵、钛材螺杆真空泵、哈氏合金螺杆真空泵、耐腐蚀真空泵、耐腐蚀真空设备等

当前页:首页 >> 产品中心 - HG、2H滑阀真空泵系列

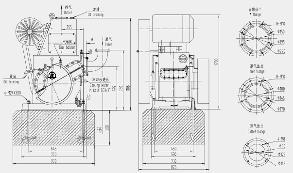
HG、2H滑阀真空泵 / HGL-150

产品参数


返 回
联系我们

订购我们产品,请致电:

0576-88653588,88652002

销售及服务

我们的真空泵产品远销国内外!公司全力以赴为客户提供最优的服务,在客户集中的区域设立售后服务办事处。我们郑重承诺:如产品自身缺陷或存在质量问题,省内及周边地区用户24小时内到达,省外用户48小时内到达。

浙公网安备 33100202000368号